HL-MD08R-C2-IOD 藍芽I/O偵測 遙控模組
Bluetooth I/O Detection Module
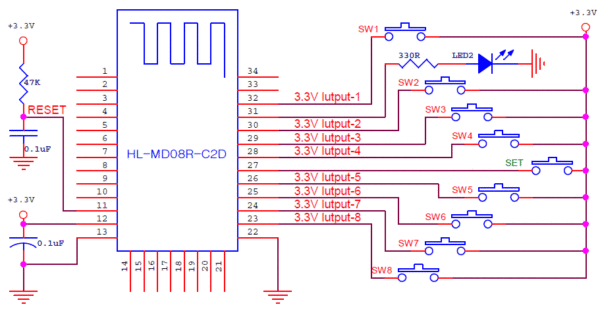
HL-MD08R-C2-IOD 是藍牙遙控器發射模組. 能支援同時8個I/O偵測轉Bluetooth SPP藍牙序列埠連結(SPP Profile), 可應用於Bluetooth Remote Control 藍芽遙控器(遙控端), 藍芽實驗, 專題製作… ….
採CSR BC04藍芽v2.1版技術可向下相容於以往所有藍芽規格。 其傳輸率也為 Bluetooth 1.x 約 3 倍快。提高多功處理及多種藍芽設備同步運作的能力,配備新規格的設備可傳輸更大的數據檔案。低耗電量特點將延長新一代藍芽裝置的使用時間高達現行的兩倍。
HL-MD08R-C2內建天線設計, 解決DIY天線的困惱, 避免造成天線不匹配、訊號強度損耗、訊號反饋等情況. 本款解決這個惱人的RF問題,將2.4GHz天線內建置模組內,讓您輕鬆徜徉體驗藍海。
主要特色:
- CSR BC04 Bluetooth v2.1+EDR 晶片
- 內建標準藍芽SPP ( Series Port Profile )
- Class2傳輸距離10公尺內(開放空間環境)
- BluetoothI/ODetection 模組
- 支援同時8個I/O偵測轉Bluetooth SPP
- 內建天線, 收訊穩定
- 超迷你外型 27*13mm
產品規格:
| Model Name | HL-MD08R-C2-IOD |
| Bluetooth Profile | Series Port Profile (Bluetooth SPP) |
| Standard | Bluetooth specification version 2.1+EDR |
| Frequency | 2.402GHz ~ 2.480GHz unlicensed ISM band |
| Hopping | 1,600/sec, 1 MHz channel space |
| Modulation Method | GFSK for 1Mbps; Π/4-DQPSK for 2Mbps; 8-DPSK for 3Mbps |
| Transfer rates (Max) | Max UART baud rates of 3Mbps |
| Spread Spectrum | Frequency Hopping Spread Spectrum (FHSS) |
| Signal | 0 or 3.3V DC |
| IO Channel? | 8 Channel |
| RF Output Power | Class 2 |
| Tx Power | Max.4 +/-1 dBm |
| Rx Sensitivity | -80 dBm typical |
| Antenna | PCB Printed Antenna |
| Coverage | Up to 10 meter |
| Current Consumption | Max. 60 mA |
| Input Power | 3.3V DC |
| Operating Temperature | 0 ~ +60℃ |
| Storage Temperature | -10 ~ +70℃ |
| Dimensions | 27 x 13 x 2(H)mm |





