HL-MD08R-C2 10公尺 UART TTL 藍芽模組
HL-MD08R-C2能快速直接升級傳統UART成為無線藍芽傳輸, 讓將有線的UART設備簡單的轉換為藍芽無線傳輸. 可適用RFID, 血壓計, 條碼掃描器, 字幕機, 藍芽實驗, 專題製作 … …
採CSR BC04藍芽v2.1版技術可向下相容於以往所有藍芽規格。 其傳輸率也為 Bluetooth 1.x 約 3 倍快。提高多功處理及多種藍芽設備同步運作的能力,配備新規格的設備可傳輸更大的數據檔案。低耗電量特點將延長新一代藍芽裝置的使用時間高達現行的兩倍。
HL-MD08R-C2內建天線設計, 解決DIY天線的困惱, 避免造成天線不匹配、訊號強度損耗、訊號反饋等情況. 本款解決這個惱人的RF問題,將2.4GHz天線內建置模組內,讓您輕鬆徜徉體驗藍海。
主要特色:
- CSR BC04 Bluetooth v2.1+EDR 晶片
- 內建標準藍芽SPP ( Series Port Profile )
- Class2傳輸距離10公尺內(開放空間環境)支援Link I/O(連線狀態腳位) 可應用通知單晶片藍芽連線狀態.
- 支援Link I/O(連線狀態腳位) 可應用通知單晶片藍芽連線狀態
- 可調式設計, 可變更設定UART參數(附Windows版設定工具)
- 不限系統 , 免驅動 , 直接升級原有UART為無線藍芽傳輸
- 能獨立執行Point to Point運作Master/Slave自動連線模式
- 內建天線, 收訊穩定
- 不限系統 , 免驅動 , 直接升級原有UART為無線藍芽傳輸
- 內建標準藍芽SPP ( Series Port Profile )
- UART TTL介面 可直接與8051(89C51)TX,RX對接.
- 支援 Flow Control : CTS / RTS
- 支援 Parity : None , Odd , Even
- 支援 Stop Bit : 1 , 2
- 支援 Data Bit : 8
- 支援11段Baud Rate傳輸速率1200/2400/4800/9600/19200/38400/57600/115200/230400/460800/921600bps
- 支援 Auto Reconnect 功能
- 加強型的 slave 與 master 模式皆能支援自動連線(Auto Reconnect).
- 加強型的 slave 也可主動連線master.
- 加強型的自動連線功能(Auto Reconnect) 可以支援一般SPP設備設定成自動連線功能.
- 超迷你外型 27*13mm
- 工作電壓 3.3V
- Windows 視窗版設定介面.讓您免學設定指令輕鬆上手

可自行變更各項參數:
變更Device Name (其他設備搜尋到本機顯示的裝置名稱) 預設為: Hotlife
Discoverable (可以設定將裝置名稱隱藏)
變更Pin Code (配對密碼) 預設為: 0000
變更Baud Rate (傳輸速度) 1.2/2.4/4.8/9.6/19.2/38.4/57.6/115.2/230.4/460.8/921.6kbps.預設為: 115200
變更Role (角色模式) 可固定配對(pair) 主僕(master-slave)模式
產品規格:
| Model Name | HL-MD08R-C2 |
| Bluetooth Profile | Series Port Profile (Bluetooth SPP) |
| Standard | Bluetooth specification version 2.1+EDR |
| Frequency | 2.402GHz ~ 2.480GHz unlicensed ISM band |
| Hopping | 1,600/sec, 1 MHz channel space |
| Modulation Method | GFSK for 1Mbps; Π/4-DQPSK for 2Mbps; 8-DPSK for 3Mbps |
| Transfer rates (Max) | Max UART baud rates of 3Mbps |
| Spread Spectrum | Frequency Hopping Spread Spectrum (FHSS) |
| Signal | TxD, RxD, GND, CTS, and RTS |
| Transfer Baud Rate | Supports 1.2/2.4/4.8/9.6/19.2/38.4/57.6/115.2/230.4/460.8/921.6kbps |
| Flow Control | CTS / RTS |
| Data Bit | 8 |
| Stop Bit | 1 , 2 |
| Parity | None , Odd , Even |
| RF Output Power | Class 2 |
| Tx Power | Max.4 +/-1 dBm |
| Rx Sensitivity | -80 dBm typical |
| Antenna | PCB Printed Antenna |
| Coverage | Up to 10 meter |
| Current Consumption | Max. 40 mA |
| Input Power | 3.3V DC |
| Operating Temperature | 0 ~ +60℃ |
| Storage Temperature | -10 ~ +70℃ |
| Dimensions | 27 x 13 x 2mm |
產品應用圖:
可適用各種UART TTL232介面之設備 如: RFID, 血壓計, 條碼掃描器, 字幕機, 藍芽實驗, 專題製作, 單晶片AVR , PIC , 8051 , 89C51 …
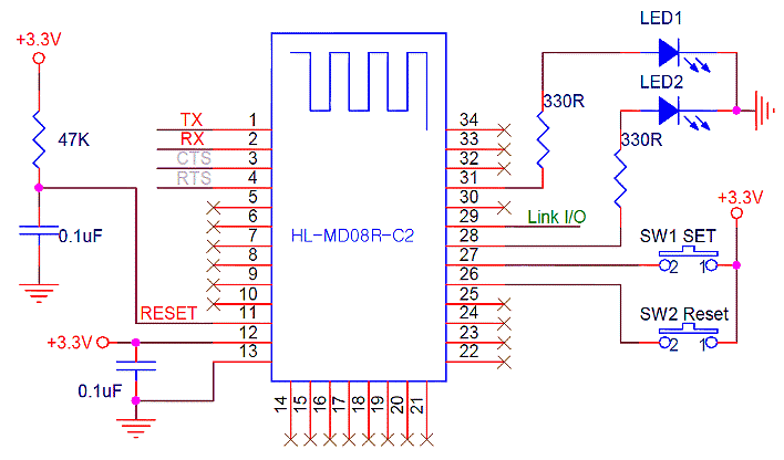
HL-MD08R-C2 基本電路圖

HL-MD08R-C2 進階電路圖



